´Ù´Ù¼îÇθô | ȸ¿ø°¡ÀÔ (1~3% ÇÒÀÎ ÇýÅÃ) ȸ»ç¼Ò°³ | ÀÌ¿ë¾È³» | Q & A | ÀÚ·á½Ç | ÁÖ¹®Á¶È¸ | ¸¶ÀÌÆäÀÌÁö  
»óǰ¸í : TAS-B4RP1C
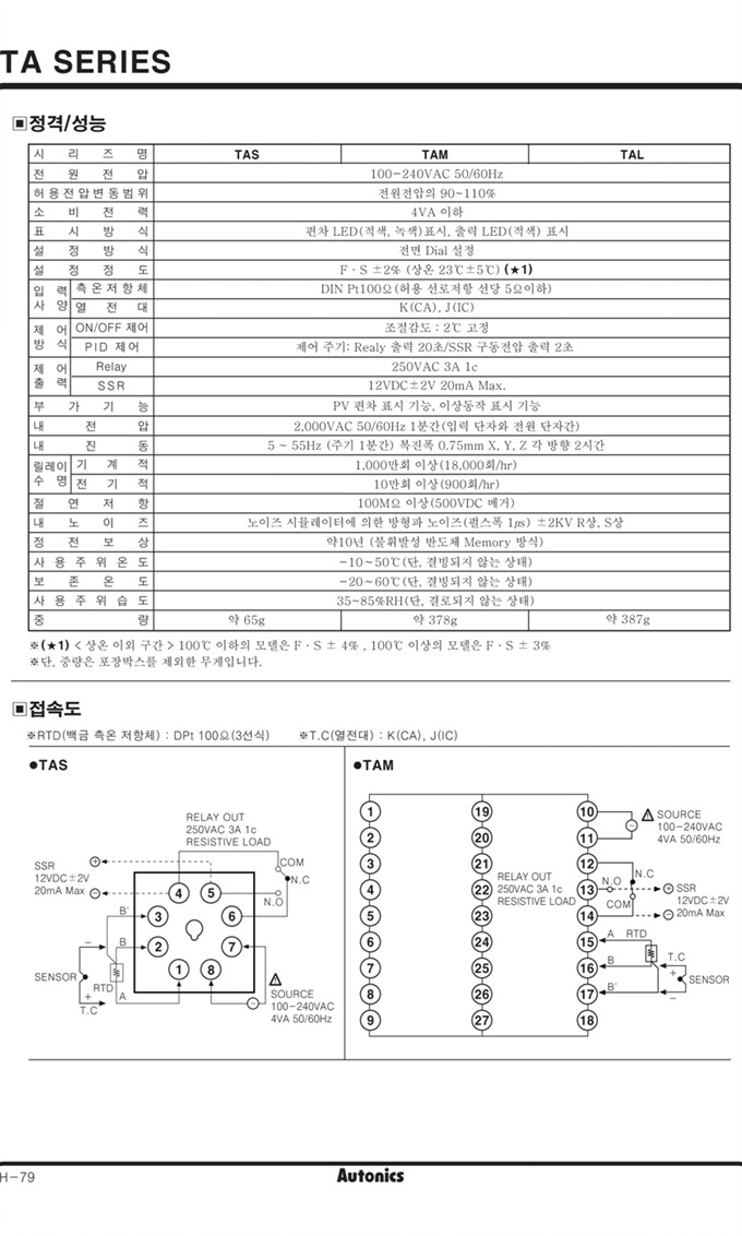
 ±Ô°Ý:   ¿ÂµµÁ¶Àý±â
 Á¦Á¶¿ø:   ¿ÀÅä´Ð½º
 ¼ö·®:   EA  
¼ö·®º°
¿¹»ó ´Ü°¡
¡Ø¹®ÀÇ ¢Ñ Ŭ¸¯
¹®ÀÇ ¹Ù¶ø´Ï´Ù.
¹®ÀÇ ¹Ù¶ø´Ï´Ù.
¹®ÀÇ ¹Ù¶ø´Ï´Ù.
¹®ÀÇ ¹Ù¶ø´Ï´Ù.
  # º» À̹ÌÁö´Â ÂüÁ¶¿ë À̹ÌÁö ÀÔ´Ï´Ù.
  # »ó¼¼ »ç¾çÀº īŻ·Î±×¸¦ ÂüÁ¶Çϼ¼¿ä.


³³±â¹®ÀÇ :  24½Ã°£ Á¢¼ö ÈÄ ¿µ¾÷½Ã°£¿¡ Á¢¼ö ¼øÀ¸·Î ȸ½Å µå¸³´Ï´Ù.
Ư±â»çÇ× :   ¡Øº» Á¦Ç°Àº ÁÖ¹® ½Åû ÈÄ ¹Ýǰ,±³È¯,ȯºÒÀº ºÒ°¡!!
             ¡Ø´Ü°¡´Â ¿¹°í ¾øÀÌ º¯°æµÉ ¼ö ÀÖ½À´Ï´Ù.
  °ßÀû¼­ Ãâ·Â ȸ¿ø Àü¿ë ¼­ºñ½º, °ßÀû¼­¸¦ ¿øÇϽô ºÐÀº ȸ¿ø°¡ÀÔ ¸ÕÀú!
  ȸ¿ø ÇÒÀÎ, ¼ö·®ÀÌ ´Ã¼ö·Ï, ÃÑ °áÁ¦ ±Ý¾×ÀÌ Å¬¼ö·Ï ´Ü°¡ ÀÎÇÏ(ÀϺÎǰ¸ñÁ¦¿Ü)
  ¹«ÅëÀå °áÁ¦½Ã Ãß°¡ ÇÒÀÎ ÇýÅÃ(ȸ¿øÀü¿ë, ¼¼±Ý°è»ê¼­ ¹ßÇà °¡´É)
  
Ä«Åå ¹®ÀÇ


¸ÞÀÏ ¹®ÀÇ


»çÀÌÆ®¸í : DadaSOL | »óÈ£ : (ÁÖ)´Ù´Ù½ò | ¹®ÀÇ : | FAX : 031-899-8426
»ç¾÷ÀÚµî·Ï¹øÈ£ : 138-81-26172 | Åë½ÅÆÇ¸Å½Å°í : Á¦ 2019-¼ö¿ø±Ç¼±-0019 È£ »ç¾÷ÀÚÁ¤º¸È®ÀÎ
ÁÖ¼Ò : ( 441-360 ) °æ±â ¼ö¿ø½Ã ±Ç¼±±¸ °í»öµ¿ 1152 ¼ö¿øº¥Ã³¹ë¸®2 Aµ¿ 317È£
Copyright ¨Ï 2013 (ÁÖ)´Ù´Ù½ò. All Rights Reserved.